二氧化氮(NO2)是一种红棕色的有刺激性气味的气体。对环境也有一定的影响。它也是有毒气体一种,主要来源于工业排放和汽车尾气排放等。二氧化氮也会在大气中参与光化学反应,可能形成酸雨和光化学烟雾,对生态环境和建筑物等造成严重损害。
二氧化氮气体检测传感器是定电位电解型传感器,二氧化氮与氧气在工作电极和对电极上发生相应的氧化还原反应并释放电荷形成电流,产生的电流大小与二氧化氮的浓度成正比,通过测试电流的大小即可判定二氧化氮浓度的高低。

技术参数:

产品优势:
1.精度高,寿命长
2.响应速度快,回零快
3. 低功耗、高灵敏度
4.线性范围宽、抗干扰能力强
5.优异的重复性和稳定性
产品尺寸图:

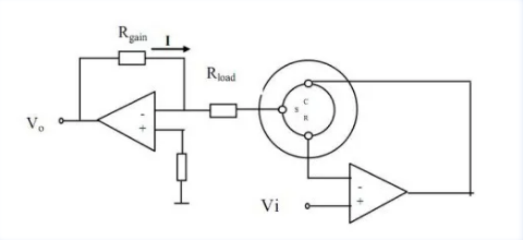
基本测试电路图:

上海松柏经过持续的研发与升级,推出的二氧化氮气体传感器在性能上取得了显著的进步。这款升级后的传感器以其高精度、长寿命等特点脱颖而出,更为重要的是,它能在高温高湿的严苛环境下稳定工作,展现出的适应性。无论是在环境监控、工业生产,还是在科研实验中,相较于传统的传感器,此次升级后的传感器提供的检测数据,满足客户的不同需求。

基线稳定性较优,响应、回零快,用20ppm标准气测试示值偏差在0.1以内

线性系数在0.999~1

用20ppm标准气测试重复性偏差<2%

40ppm高浓度气体冲击30min稳定性表现较好

针对CO、SO2无交叉影响,NO、H2S影响较小

在高温高湿(50℃,95%RH)环境下连续跟踪2个月,传感器响应偏差<2%
二氧化氮气体传感器具有多种应用领域,以下是一些主要的应用领域:
1.环保领域:被广泛用于空气质量检测、环境保护以及灾害预警等工作中。它可以实时监测大气中二氧化氮的浓度,为环境保护部门提供准确的数据支持,帮助他们了解空气质量状况,及时采取应对措施。
2.工业领域:可用于监测化学、制药、印刷等行业中的有害气体的浓度。通过使用二氧化氮气体传感器,企业可以实时监测工作场所中的二氧化氮浓度,确保工人的健康和安全。
3.智慧市政领域:在智慧市政领域具有广泛的应用前景,可以用于城市空气质量监测、交通管理、绿化规划以及应急响应等多个方面,为智慧市政提供有力的技术支撑。
此外,随着技术的不断进步和创新发展,二氧化氮气体传感器的应用领域正在持续扩大,并发挥着日益重要的作用。这些传感器不仅广泛应用于环保、工业、交通、智慧市政等领域,而且在保护人类健康和改善环境质量方面发挥着至关重要的作用。
上海松柏是一家一站式气体检测方案提供商,以自主品牌、设计、研发、生产为一体,为客户提供更优的气体检测方案,可根据客户的不同需求进行定制,如果您想要了解更多细节,可通过以下联系方式联系我们!











