氟化氢气体检测传感器是定电位电解型传感器,氟化氢与溶液中的电解质生成的前体化合物分别在工作和对电极上发生相应的氧化还原反应,产生的电流大小与氟化氢浓度成正比,通过测试电流大小即可判定氟化氢浓度的高低。

产品优势
1.精度高,寿命长
2.响应速度快、回零快
3.低功耗、高灵敏度
4.线性范围宽、抗干扰能力强
5.优异的重复性和稳定性高
产品结构及尺寸图

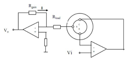
基本电路

氟化氢传感器是基于电化学反应的工作原理。当传感器的一端接通到氟化氢气体中,氟化氢气体在与工作电极发生氧化还原反应的过程中,会产生一个与之相关的电流信号。这一电流信号的大小直接与氟化氢气体的浓度相关,呈现出线性关系。
在环境保护、工业生产、安全监控等领域发挥着重要作用,能够准确、快速地检测环境中的氟化氢浓度,以确保安全和符合工业等标准。
传感器响应温度特性曲线

数据对比



我们深知,工艺的优化和提升是产品品质的保障。因此,在新产品的研发过程中,我们的新品灵敏度提升,T90减小,消除了气流干扰;有了更好的重复性与线性;我们对每一道工序都进行了严格的把关和审核,确保产品的高质量和稳定性。
应用范围:
氟化氢的用途广泛,以下是一些主要的用途:
氟化氢报警器:氟化氢传感器在报警器中有着很重要的作用。氟化氢传感器是报警器中的核心部件,负责检测气体的浓度,可以在气体泄漏时发出警报,提醒现场人员采取相应的安全措施。
矿山领域:矿山环境中可能存在氟化氢气体,其浓度可能对人体和环境造成危害。氟化氢传感器可以实时监测矿山环境中的气体浓度,确保工作人员的安全。
化学工业:在一些化学生产过程中,氟化氢传感器可用于监测反应过程中气体的浓度,及时检测到有害气体的浓度,可以及时采取相应的安全措施,以防止危险事故的发生。
储存和运输:对于氟化氢储存和运输系统,传感器可以用于监测气体泄漏,以预防事故和减少风险。
新能源汽车:氟化氢传感器可以实时监测纯电动汽车电池中的氟化氢浓度,当氟化氢浓度过高时,传感器会及时发出警报,提醒驾驶员及时采取相应的安全措施,避免火灾事故的发生。
大气环境:氟化氢是一种有毒气体,通过使用氟化氢传感器,可以实时监测大气中的氟化氢浓度,了解其分布和变化情况,为环境保护和公共安全及时提供数据支持。

交叉敏感:
氟化氢传感器对除目标气体外的其它气体也产生响应。现将该传感器对几种常见的干扰气体的响应特性列于下表,以供参考。表中数据为干扰气体在给定浓度下的典型响应。

在使用氟化氢传感器时,需要遵循安全的操作规程,并确保定期维护和校准,以确保其性能和准确性。总之,氟化氢传感器是一种高精度、高灵敏度的气体检测设备,能够准确测量氟化氢的浓度,并及时发出报警,对于保障安全具有重要意义。
上海松柏是一家一站式气体检测方案提供商,以自主品牌、设计、研发、生产为一体,为客户提供更优的气体检测方案,如果您想要了解更多产品,可通过以下联系方式联系我们!











